





| LMS-183CX | ||||||||||||||||||||||||||
|




The technologies used to usher in next-generation 5G and Wi-Fi 6E wireless networks are revolutionary in terms of spectrum usage, component and IC advancement on the substrate and packaging. In order to meet the seemingly unreachable 5G key performance indicators
This tech brief will help you gain an understanding of the features and flexibility to look for in a self-programmable signal generator so you can align your desired outcomes with the total budget you have for your bench.
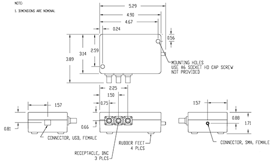
We're pleased to announce during IMS week in Boston from Booth #1278 that we've just released new customization options for our RF/microwave, solid-state, portable LMS signal generators to specifically support radar and location applications. The Lab Brick Model LMS-183CX is
Our new 2024 product guide provides performance details and pricing on all our low-cost, portable, and programmable Lab Bricks for RF, microwave, and wireless testing.
FMCW and chirp (pulsed linear frequency modulated) radar are some of the most common radars used globally.